Одним из аспектов радиолюбительского конструирования является создание автоматов, способных выполнять какие-то необходимые действия в отсутствие человека. Если у вас дома есть комнатные растения и вы вынуждены на некоторое время отлучиться (в отпуск, командировку и т.д.), то лучше всего такую ответственную работу как полив цветов, поручить несложному автомату.

В отличие от многих предложенных на эту тему приборов, этот построен по простейшей схеме и не требует применения таймера или другого часового устройства. Автомат контролирует внешнюю освещенность, и один раз в сутки, вечером, с наступлением темноты производит полив.
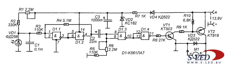
Автомат построен на базе одной микросхемы - K561J1A7 (или К561ЛЕ5). Датчиком освещенности служит фотодиод VD1. Это фотодиод от систем дистанционного управления отечественных телевизоров типа УСЦТ (такие фотодиоды часто бывают в продаже). Несмотря на то, что он рассчитан на ИК-излучение, он так же хорошо реагирует и видимый свет. Здесь он выполняет роль фоторезистора.
Напряжение на фотодиоде зависит от уровня освещенности. При ярком свете напряжение мало и на выходе триггера Шмитта D1.1-D1.2 будет логический ноль. С2 разряжен, на выходе D1.4 тоже ноль и ключ на транзисторах VT1-VT2 закрыт, питание на насос М1 не подается. При затемнении фотодиода напряжение на нем увеличивается (потому что его сопротивление растет) и на выходе триггера Шмитта появляется лог. единица. Пока С2 заряжается через R6-R5 на выходе D1.4 будет единица и насос М1 будет качать питательный раствор.
В схеме два подстроечных резистора. При помощи R1 устанавливается порог темноты. Резистором R6 устанавливается продолжительность полива (зависит от производительности насоса М1 и объема работы). Насос М1 - насос омывателя стекла автомобиля ВАЗ-2101 (или аналогичный).
Источник питания - сетевой адаптер от старого струйного принтера CANON-BJ-240. Можно использовать другой источник постоянного напряжения 12-16V с максимальным током не менее 1 А.
Фотодиод ФД-256 можно заменить другим аналогичным (ФД-263, ФД-320, ФД-611). Стабилитрон КС182 можно заменить другим на напряжение 6-10V. Диоды - КД522, любые аналогичные.
Вид печатной платы автомата полива