| Добавить в избранное |
ГЛАВНАЯ СТАТЬИ СХЕМЫ МАСТЕРСКАЯ ПРОГРАММЫ О САЙТЕ  

 Автомобильные схемы
 Автомобильные схемы электрических соединений
 Основные обозначения элементов
 Определение сопротивления резистора по цветовой маркировке
 Калькулятор расчета резистора для светодиодов
 Плавное включение и выключение светодиодов на микроконтроллере
 Простая схема плавного включения и выключения светодиодов
 Стабилизатор тока для светодиодов
 Схема регулировки яркости светодиодов (диммер)


 Усилители
 Блоки питания
 Индикаторы
 Микросхемы
 Программаторы
 Адаптеры
 Микшеры
 Тестеры
 Радиоприемники
 Радиомикрофоны
 Радиостанции
 Переговорные устройства
 Металлоискатели
 Гирлянды
 Омметры
 Частотомеры
 Осциллографы
 Измерительные устройства
 Охранные устройства
 Сигнализации
 Сигнализаторы
 Термометры
 Терморегуляторы
 Регуляторы яркости
 Регуляторы напряжения
 Регуляторы мощности
 Генераторы
 Детекторы
 Управление освещением
 Сенсорные устройства
 Датчики
 Телефония
 Таймеры
 Зарядные устройства
 Дистанционное управление
 Авто
 Другие

Sprint Layout 6.0 RUS + Макросы
sPlan 7.0 Full RUS

  • Доработка коммутатора зажигания 2108 76.3734
  • Светодиодная подсветка приборной панели ВАЗ-2110-12
  • Простая схема плавного включения и выключения светодиодов
  • Схема регулировки яркости светодиодов
  • Схема стабилизатора тока 12В для светодиодов
  • Схема плавного включения и выключения светодиодов
  • Регулятор вентилятора отопителя ВАЗ
  • Печатная плата
  • Стабилитрон
  • Схема приемного тракта на микросхеме К174ПС1 и К174УР3
  • Шестидиапазонный приемник прямого преобразования
  • Конденсаторы
  • Стабильный RC-генератор синусоидальных колебаний
  • Светодиоды. История создания
  • Sprint Layout 6.0 (Русская версия) + Ключ + Макросы
  • Подстветка кнопок панели приборов ВАЗ-2110-12
  • Схема выключателя освещения с датчиком движения
  • Полосовые фильтры
  • Охранная сигнализация с использованием сотового телефона
  • Стабилизатор напряжения

  • Какими светодиодами вы чаще всего пользуетесь?



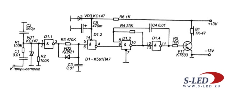
    Схема сигнализатора оборотов коленчатого вала автомобиля

     
    Категория: "СхемыСигнализаторыАвто"
    Схема сигнализатора оборотов коленчатого вала автомобиля

    Автомобили прошлого века такие как ВАЗ-2101-05 в варианте своего исполнения не имели такого важного прибора как тахометр, оценку оборотов коленчатого вала приходилось оценивать или по скорости движения автомобиля или по звуку. Мало того, что это было очень неудобно, это ещё было очень вредно для двигателя, так как умеренная частота вращения при движении автомобиля и при смене передаче это залог долгой и безотказной работы двигателя

    Читать дальше...

    Схема музыкального сигнализатора

     
    Категория: "СхемыСигнализаторы"
    Схема музыкального сигнализатора

    На страницах радиолюбительских изданий опубликовано немало различных сигнализаторов, построенных на основе отечественных музыкальных синтезаторов типа УМС-8. Но в настоящее время, российским радиолюбителям стали доступны электронные компоненты зарубежного производства (об этом говорит массовое увлечение интегральными УМЗЧ). Один из таких компонентов — малогабаритные музыкальные синтезаторы серии UM 66, выполненные в трехвыводном пластмассовом корпусе, таком как у транзистора КТ3102.

    Читать дальше...

    Схема сигнализатора отключения электросети

     
    Категория: "СхемыСигнализаторыДругие"
    Схема сигнализатора отключения электросети

    Напряжение осветительной сети -220V через токоограничительные резисторы R1 и R2 поступает на выпрямитель на диодах VD1 и VD2 с параметрическим стабилизатором на VD3 на выходе. С1 служит для сглаживания пульсаций. Светящийся в дежурном режиме светодиод VD4 сигнализирует о нормальной работе устройства. R3 защищает светодиод от резких высокочастотных выбросов сетевого напряжения. В дежурном режиме постоянное напряжение 10,5... 11,5V через диод VD3 и резистор R4 поступает на базу VT1.

    Читать дальше...


    Правильное подключение одного светодиода


    R - резистор
    D - светодиод
    Расчитать резистор
    Последовательное подключение нескольких светодиодов


    Схема самонастривающего инфракрасного датчика


    Схема охранной сигнализации склада


    Схема дистанционного выключателя освещения



    LED smd автомат адаптер аккумулятор антенна бортовой сети ваз варикап вентилятор вольтметр выходное напряжение габариты генератор датчик детектор диапазон ду зажигание заряд игрушка импульс индикация источник питания конденсатор лампы лдс металлоискатель микросхема мощность нагрузка напряжение освещение панель приборов паяльник пиранья плавное включение подключение подсветка приборная панель прожектор радиомикрофон радиоприемник радиостанция рассеивание резистор реле светодиод сенсор сигнализатор сигнализация сирена срок службы стабилизатор схема счетчик таймер технология тракт транзистор трансивер усилитель частота частотомер яркость ёмкость


        © 2010-2021 S-Led.Ru All Rights Reserved