| Добавить в избранное |
ГЛАВНАЯ СТАТЬИ СХЕМЫ МАСТЕРСКАЯ ПРОГРАММЫ О САЙТЕ  

 Автомобильные схемы
 Автомобильные схемы электрических соединений
 Основные обозначения элементов
 Определение сопротивления резистора по цветовой маркировке
 Калькулятор расчета резистора для светодиодов
 Плавное включение и выключение светодиодов на микроконтроллере
 Простая схема плавного включения и выключения светодиодов
 Стабилизатор тока для светодиодов
 Схема регулировки яркости светодиодов (диммер)


 Усилители
 Блоки питания
 Индикаторы
 Микросхемы
 Программаторы
 Адаптеры
 Микшеры
 Тестеры
 Радиоприемники
 Радиомикрофоны
 Радиостанции
 Переговорные устройства
 Металлоискатели
 Гирлянды
 Омметры
 Частотомеры
 Осциллографы
 Измерительные устройства
 Охранные устройства
 Сигнализации
 Сигнализаторы
 Термометры
 Терморегуляторы
 Регуляторы яркости
 Регуляторы напряжения
 Регуляторы мощности
 Генераторы
 Детекторы
 Управление освещением
 Сенсорные устройства
 Датчики
 Телефония
 Таймеры
 Зарядные устройства
 Дистанционное управление
 Авто
 Другие

Sprint Layout 6.0 RUS + Макросы
sPlan 7.0 Full RUS

  • Доработка коммутатора зажигания 2108 76.3734
  • Светодиодная подсветка приборной панели ВАЗ-2110-12
  • Простая схема плавного включения и выключения светодиодов
  • Схема регулировки яркости светодиодов
  • Схема стабилизатора тока 12В для светодиодов
  • Схема плавного включения и выключения светодиодов
  • Регулятор вентилятора отопителя ВАЗ
  • Печатная плата
  • Стабилитрон
  • Схема приемного тракта на микросхеме К174ПС1 и К174УР3
  • Шестидиапазонный приемник прямого преобразования
  • Конденсаторы
  • Стабильный RC-генератор синусоидальных колебаний
  • Светодиоды. История создания
  • Sprint Layout 6.0 (Русская версия) + Ключ + Макросы
  • Подстветка кнопок панели приборов ВАЗ-2110-12
  • Схема выключателя освещения с датчиком движения
  • Полосовые фильтры
  • Охранная сигнализация с использованием сотового телефона
  • Стабилизатор напряжения

  • Какими светодиодами вы чаще всего пользуетесь?



    Выберите категорию:

    Схема синхронного гетеродинного приемника сигналов УКВ ЧМ

     
    Категория: "СхемыРадиоприемники"
    Схема синхронного гетеродинного приемника сигналов УКВ ЧМ

    Данный гетеродинный приемник предназначен для приема радиовещательных станций в диапазоне УКВ 65,8-73 МГц. Если сравнивать его с такого же типа приемниками, то он имеет ряд преимуществ.
    Так, по сравнению с супергетеродинами схожей сложности, данный приемник обладает более высокой чувствительностью и избирательностью, более высоким качеством демодуляции сигнала. Он проще в изготовлении и настройке.
    Более высокая чувствительность объясняется тем, что в этом приемнике полоса пропускания уменьшена, по сравнению с супергетеродином, со 150 кГц до 22 кГц, что приводит к уменьшению напряжения шумов на выходе приемника, а, следовательно, к уменьшению так называемого порога - минимального уровня входного сигнала, при котором происходит резкое ухудшение приема.

    Читать дальше...

    Схема УКВ-приемника "Юность"

     
    Категория: "СхемыРадиоприемники"
    Схема УКВ-приемника "Юность"

    Среди начинающих радиолюбителей всегда пользовались большой популярностью радионаборы для самостоятельной сборки простых радиоприемников. Наиболее популярны наборы серии "Юность", которые выпускаются начиная с 60-х годов и поныне. Радионабор за столько лет безусловно претерпел изменения и усовершенствования, УЗЧ стал бестрансформаторным, нет больше рефлексных каскадов с ПОС. Но все же это простой приемник прямого усиления, рассчитанный на работу в СВ-диапазоне, что в наше время технического прогресса, не очень современно. И это при том, что в широкой продаже существуют микросхемы, используя которые можно собирать достаточно качественные УКВ-ЧМ приемники, сборка и настройка которых не будет сложнее простейшего приемника прямого усиления.

    Читать дальше...

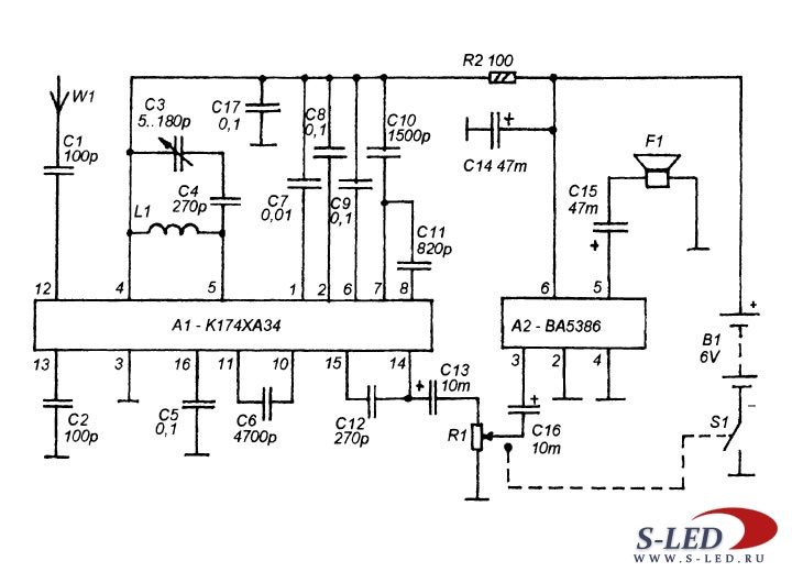
    Схема приемного тракта СВ-диапазона

     
    Категория: "СхемыРадиоприемникиРадиостанции"
    Схема приемного тракта СВ-диапазона

    Приемный тракт может быть выполнен в двух вариантах исполнения, — в качестве приемного тракта одноканальной CB-FM-радиостанции (с УЗЧ на микросхеме ВА5386) или в качестве приемного тракта для системы радиоуправления или радиоохранной сигнализации (с формирователем импульсов на компараторе К521СА3). Схема сделанная по первому варианту изображена на рисунке выше. Входной сигнал от антенны поступает на входной контур L2-C1 через катушку связи L1.

    Читать дальше...

    Цифровая шкала КВ-трансивера

     
    Категория: "СхемыРадиоприемники"
    Цифровая шкала КВ-трансивера

    При разработке этой шкалы ставилась задача получить универсальный прибор, который может выполнять функции цифровой шкалы радиоприемника или трансивера с одним или двойным преобразованием частоты, с максимальной рабочей частотой до 30 МГц. А так же как самостоятельный прибор - частотомер, выполняющий арифметические функции с частотами, поступающими на его разные входы.

    Читать дальше...

    ЧМ-приемники на микросхеме TDA7088T

     
    Категория: "СхемыРадиоприемники"
    ЧМ-приемники на микросхеме TDA7088T

    В последнее время в широкой продаже можно встретить карманные FM-приемники, работающие на головные телефоны, управление настройкой которых производится всего двумя кнопками "SCAN" и "RESET. При нажатии на первую кнопку приемник последовательно настраивается на станции FM-диапазона, при нажатии на вторую — возвращается к началу диапазона.

    Читать дальше...


    Правильное подключение нескольких светодиодов


    R - резистор
    D - светодиод
    Расчитать резистор
    Последовательное подключение нескольких светодиодов


    Схема стереомагнитолы Sharp WQ-294HT


    Схема питания цифровых часов от бортовой сети автомобиля


    Схема таймера для паяльника



    LED smd автомат адаптер аккумулятор антенна бортовой сети ваз варикап вентилятор вольтметр выходное напряжение габариты генератор датчик детектор диапазон ду зажигание заряд игрушка импульс индикация источник питания конденсатор лампы лдс металлоискатель микросхема мощность нагрузка напряжение освещение панель приборов паяльник пиранья плавное включение подключение подсветка приборная панель прожектор радиомикрофон радиоприемник радиостанция рассеивание резистор реле светодиод сенсор сигнализатор сигнализация сирена срок службы стабилизатор схема счетчик таймер технология тракт транзистор трансивер усилитель частота частотомер яркость ёмкость


        © 2010-2021 S-Led.Ru All Rights Reserved