Полтора-два десятка лет назад были очень популярны отечественные телевизоры типа 3-УСЦТ. Обычно они продавались в самом простом исполнении, без ПАЛ-декодера, видеовходов и дистанционного управления. Но конструкция и схема телевизора была такова, что все эти «опции» можно было дополнить, практически, «отверточной досборкой».

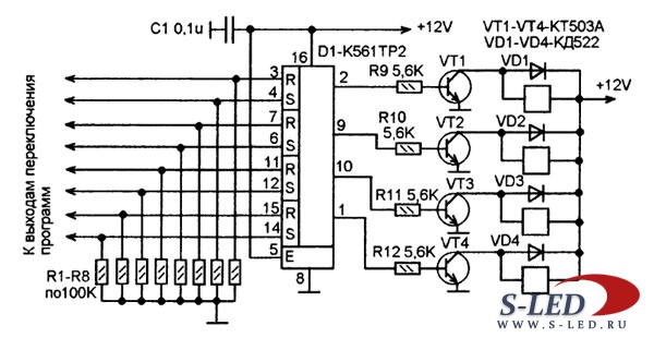
Естественно, что каждый новый владелец какой-то «Березки 61ТЦ-3...» имел планы по модернизации телевизора, установке «лентяйки» (дистанционного управления), ПАЛ-декодера, видеовходов. Во многих магазинах и на рынках продавались необходимые готовые платы или «конструкторы» для их изготовления. Такой «кооперативный» модуль дистанционного управления отличался от серийного не только меньшими габаритами, но и практически полной автономностью. В отличие от блоков ДУ, устанавливаемых серийно, «кооперативные» блоки ДУ имели собственный источник питания на маломощном силовом трансформаторе. Это обстоятельство делает возможным работу такого блока ДУ практически независимой от телевизора, которым он должен управлять. Сейчас телевизоры 3-УСЦТ обычно интересны только как комплект деталей в сборе. Радиолюбители часто используют в своих разработках не только детали, но и целые блоки от 3-УСЦТ. Например, «кооперативную» (с трансформатором питания) систему дистанционного управления можно приспособить для управления четырьмя нагрузками. На рисунке показана схема нового исполнительного устройства. На входы триггеров D1 подают напряжения с выходов мультиплексора К561КГ12, который в системе ДУ служит для управления переключателем программ. Каждой нагрузкой управляют двумя кнопками - «Включить» и «Выключить». Тип реле зависит от нагрузок. Это могут быть реле как в блоке ДУ для выключения питания телевизора (КУЦ-1, КУЦ-49, РЭС-22) с обмоткой на 12V или более современные аналогичные по параметрам реле. В отсутствии микросхемы К561ТР2 четыре RS-триггера можно собрать на элементах двух микросхем К561ЛЕ5 (или К176ЛЕ5).
|